PA旗舰厅官网

中文 EN
返回
阻旋式料位开关
阻旋式料位开关
阻旋式料位开关
所属分类:料位测量产品
产品详情

阻旋式料位开关的叶片是利用传动轴与离合器相接,在未接触物料时,马达保持正常运转,当叶片接触物料时,马达会停止转动,机构同时输出一接点信号而测出料位高度。


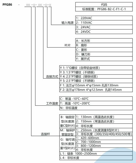
选型表

阻旋式料位开关

注:连接杆选了G(轴可调型),叶片只能选择Y(展开式)。



特点

  • 进口高品质马达、工作可靠

  • 四档灵敏度可调、适用范围广

  • 离合器装置保护马达

  • 双层轴封保护,防护等级达IP65

  • 全不锈钢旋转轴及叶片,永不生锈

  • 工作电源可选:110VAC,220VAC,DC24V


应用领域

  • 散装固体物料位置检测:

  • 谷物、饲料、木屑

  • 塑料、砂石、粒状料

  • 橡胶、烧结料、水泥生、熟料


可选型号

  • PFG86Mini:微型

  • PFG86:标准螺纹连接

  • PFG86F:标准法兰连接

  • PFG86M:轴保护管型

  • PFG86G:轴长可调型

  • PFG86FT:高温法兰型

  • PFG86MT:高温轴保护管型

  • PFG86GT:高温轴长可调型


外形尺寸(单位:mm)

阻旋式料位开关

阻旋式料位开关

阻旋式料位开关

填写信息获取相关资料

img

关注公众号

img

关注视频号

期待您的致电

售后服务:0756-8150114

销售专线:400-7808-806

期待您的来信