PA旗舰厅官网

中文 EN
返回
自动喷码、贴标机
自动喷码、贴标机
自动喷码、贴标机
所属分类:单机产品
产品详情

在线喷码/打印贴标机适用于1-200L各种桶型/纸箱的侧标、顶标的贴标工作。

可根据客户的需求,设计特殊机型。


产品选型表

自动喷码、贴标机

例:PM-PBCD-P050表示喷码机参数为:

喷墨式,喷码速度为标准速度喷码,喷码位置为侧面喷码,喷码面形状为平面。

高速喷码:20桶以上/分钟,标准速度喷码:20桶以下/分钟。


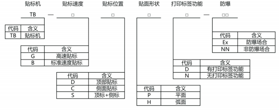
自动喷码、贴标机

例:TB-BCHN-Ex表示贴标机参数为:贴标速度为标准速度贴标,侧面贴标,贴面形状为弧面,无打印标签功能,防爆场合。

(打印功能仅适用于非防爆场合)

高速贴标:20桶以上/分钟,标准速度贴标:20桶以下/分钟。


主要功能

  • 实时在线喷码/打印,将不干胶标签贴到产品指定位置上

  • 多种机型可选:在线定位贴标机(不含打印/喷码)、在线打印定位贴标机、在线喷码定位贴标机

  • 打印功能:配置知名品牌打印机,对标签内容实时打印,内容模板用户可自定设定,内容可包括生产资料、产品名称、序列号、包装信息、防伪码、电子监管码等

  • 喷码功能:配置知名品牌喷码机,对产品部分信息的喷码工作,内容模板用户可自定设定,内容可包括生产品名称、序列号、包装时间、二维码等

  • 定位贴标:可根据贴标位置的需求,对产品进行自动调整位置,使贴标位置在指定的贴标区域,贴标精度±2mm

  • 预留网线接口,可以系统对接传输打印模板

  • 防爆机型:防爆非防爆机型可选


填写信息获取相关资料

img

关注公众号

img

关注视频号

期待您的致电

售后服务:0756-8150114

销售专线:400-7808-806

期待您的来信